Remote Antenna Selector

Alpha Digital Antenna Selector atop Alpha 87A linear amplifier

The Alpha Digital Antenna Selector (DAS), seen here atop the Alpha 87A linear amplifier, provides automatic and manual antenna selection through remote antenna relays. The amplifier can command the DAS to energize the antenna relay programmed for a particular band, or the antenna may be selected manually via the DAS front panel. Remote antenna selection is also available via TRX-Manager software.


ETO Alpha DAS 1/6

Watch Video

ETO Alpha DAS 2/6

Watch Video

ETO Alpha DAS 3/6

Watch Video

ETO Alpha DAS 4/6

Watch Video

ETO Alpha DAS 5/6

Watch Video

ETO Alpha DAS 6/6

Watch Video

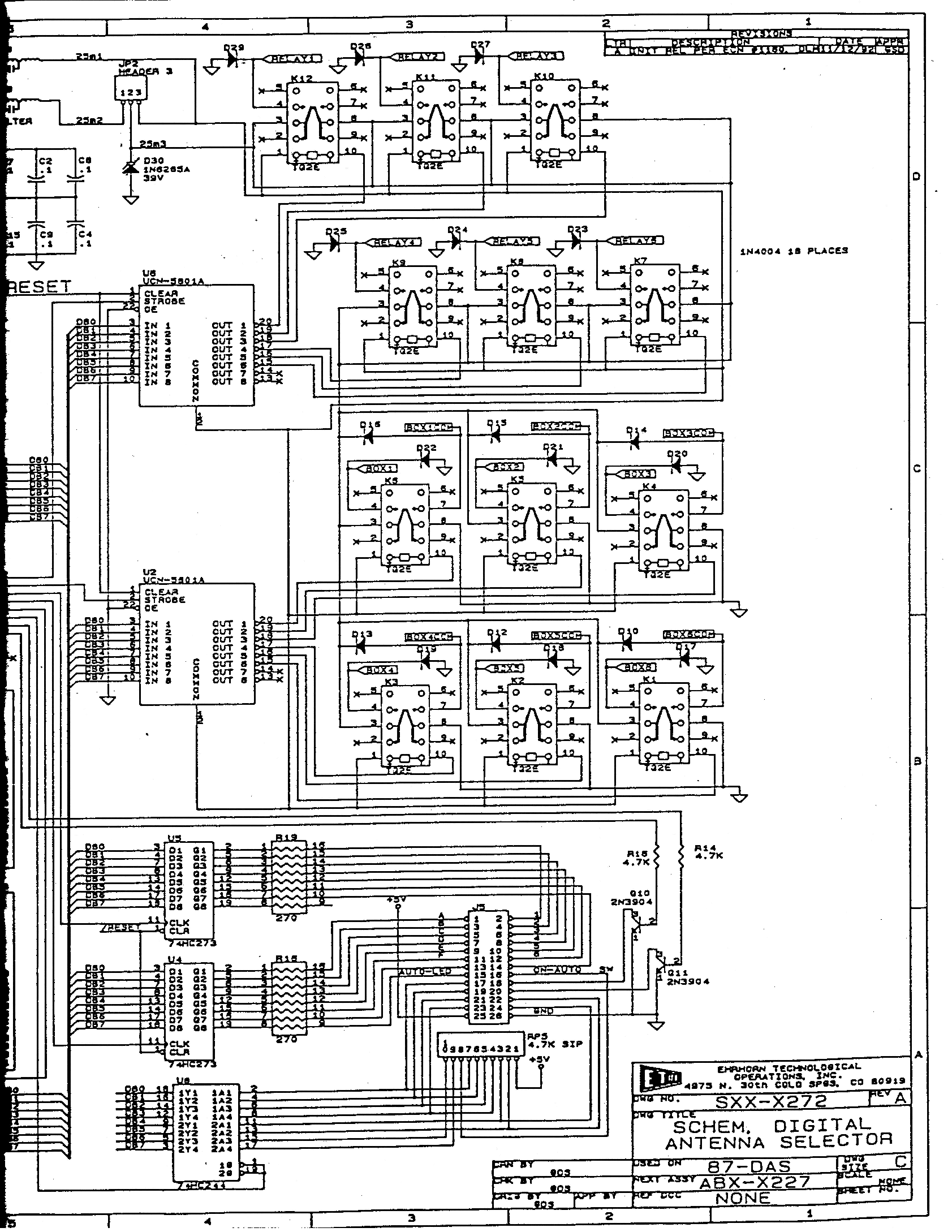
DAS Schematic

Page 1 Page 2 Page 3 Page 4
Back to top